水泵變頻器接線圖及供水自動控制系統應用
水泵變頻器接線圖及供水自動控制系統應用

前言
水是人類最寶貴的資源,是人類生存的基本條件,又是國民經濟的生命線,水工業是以城市及工業為對象,以水質為中心,從事水資源的可持續開發利用,以滿足社會經濟可持續發展的所需求水量作為生產目標的特殊工業。在水的開采、加工、輸送利用過程中,供水設備是其必不可少的工具。
供水現狀與恒壓供水設備
一般規定城市管網的水壓只保證6層以下樓房的用水,其余上部各層均須提升水壓才能滿足用水要求。傳統的方法是水塔、高位水箱或氣壓罐式增壓設備,其設備一次投資費用高,并且必須由水泵高于實際用水高度的壓力來提升水量,其結果往往增大了水泵的軸功率和能量損耗,在使用這些傳統的供水方式,還容易造成水的二次污染。
根據工業生產、生活、農業節水灌溉工程等用水的要求,應用CHV160系列的供水專用變頻器,可快速裝配成恒壓供水系統。它集變頻調速技術、PLC技術、PID控制技術等為一體,可組成完整的閉環自動控制系統。
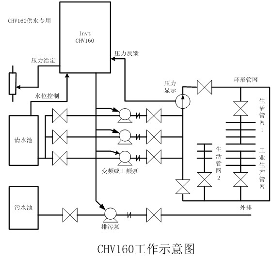
恒壓供水原理
供水自動控制系統工作時,設備通過安裝在供水管網上的高靈敏度壓力傳感器來檢測供水管網在用水量變化時的壓力變化,不斷向變頻器傳輸變化的信號,經過微電腦判斷運算并與設定的壓力比較后,向控制器發出改變頻率的指令,控制器通過改變頻率來改變水泵電機的轉速與啟用臺數,自動調節峰谷用水量,保證供水管網壓力恒定,以滿足用戶用水的需求。CHV160恒壓供水原理圖如下:

恒壓供水優點
CHV160系列供水專用變頻器設計理念源于豐富的工程實踐,具有以下優點:
1.多段壓力設定:每天可達八段壓力設定,可隨時間不同,更改壓力給定量。如為適應生活供水中的3個用水高峰期的流量波動,設置三個高壓力供水時段。

2.休眠控制功能: 能使系統進入休眠控制狀態,并能控制專用的休眠小泵,如參數設置休眠喚醒使能,將能喚醒工變頻運行;特別適合夜間供水急劇減少的時刻。

3.定時輪換功能: 經過設定的時間,讓系統中的水泵進行輪換,使系統中的所有水泵輪流參與運行工作,有效地防止泵的銹死現象,提高設備的綜合利用率。降低維護費用。當泵的容量基本相同時,選擇定時輪換功能比較合適,以免造成系統工作的震蕩。
4.進水池液位檢測及控制功能: 對清水池的液位進行檢測及控制,當進水池水位由高到低變化,水位高于下限水位時,系統按照正常設定壓力運行;當水位低于下限水位而高于缺水水位,系統按照非正常備用壓力運行;當水位低于缺水水位時,系統停止所有的運行。
當進水池水位由低到高變化,水位低于下限水位前,系統不運行;當水位高于下限水位而低于上限水位,按照非正常備用壓力運行;高于上限水位后,系統恢復正常壓力運行。
5.壓力容差范圍調節功能: PID調節有容差范圍,當反饋壓力在設定壓力值的偏差極限內,壓力調節器停止調節,以提高壓力調節系統的精度與穩定性。

6.平滑的水泵切換功能: 當進行加減泵時,始終保持一臺變頻泵運行中,以使管網的壓力不會突變。對變頻泵投切到工頻泵,可設定變頻泵投切頻率,變頻泵運行在較高的頻率,再投切到工頻運行,保證管網壓力的穩定。

- 上一篇:ABB水泵變頻器節能原理是怎樣的? 2014/7/9
- 下一篇:無負壓變頻供水設備中水泵工作原理是怎樣的? 2014/7/6


